你的位置:首页 > 新闻资讯 > 技术文章 > 呼吸湿化设备湿化输出测试仪/湿度测试工装/湿度测试系统

呼吸湿化设备湿化输出测试仪/湿度测试工装/湿度测试系统

呼吸湿化设备湿化输出测试仪/湿度测试工装/湿度测试系统

技术文章

呼吸湿化设备湿化输出测试仪/湿度测试工装/湿度测试系统

‌一、概述:

湿度测试工装主要测试湿化器的湿化输出。

 

‌二、技术参数:

参数

规格

操作系统

PLC+Windows

操作界面

笔记本电脑

标准温度传感器

热敏电阻温度传感器;在温度25℃~45℃时精度为±0.2℃

测试温度范围

RT ~50℃

温度探头规格

φ3.18*6mm

气体流量计

0~150L/min 精度:±2% 气体输入输出口径为22mm

天平

量程:10kg 精度:0.1g 带通讯(选配)

电源

AC220V 50Hz 功率:250W

仪器规格

360*360*400mm

 

 

‌三、执行标准

YY9706.274-2022 《医用电气设备 第2-74部分:呼吸湿化设备的基本安全和基本性能专用要求》

 

四、仪器特征

1.便携式终端处理系统(包括软件测试与分析系统):

采用便携式笔记本电脑,操作简单直观方便,软件系统采用Windows10系统,试验报告可以多种格式输出(如EXCL、PDF等)

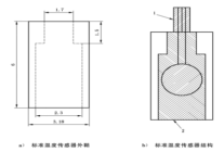
2.标准温度传感器

2.1在水中以1m/s的流量实现22℃阶跃到37℃时,0.5s<温度传感器时间常数<1.0s;

2.2环境温度对传感器精度的影响<0.01℃/1℃。

2.3传感器构造:

1)1根6mm长的外径为3.18mm的铜管。内径宜为热敏电阻珠留出足够的间隙。按照下图中给出的尺寸且热传导率>386W/(m·K)的任何材料。热敏电阻在25℃~45℃(在等温混合的空气或水中)之间,精度为±0.2℃。供应商通常具有在25℃时阻值2252Ω的热敏电阻。

2)热敏电阻的电导线宜是#32规格的镀锡铜线,长度至少为60mm[包含其他热传导率180W/(m·K)的材料]。热敏电阻的电导线宜被套上以实现电气绝缘和热隔离。热塑管达到了两个目的,包含任何热传导率<0.02W/(m·K)的电绝缘材料。

2.4尺寸:符合下图单位:毫米

image.png 

 

 

 

五、配置清单

主机1台;

说明书1份;

合格证1份;

保修卡1份;

签收单1份;

铭牌1块;

电源线1根;

扳手1套;

配套输出接头 22M/22F (可选配其他规格)

笔记本电脑 1台(选配)

电子天平 1台(选配)

标准温度传感器 2个

数据通讯线;1套