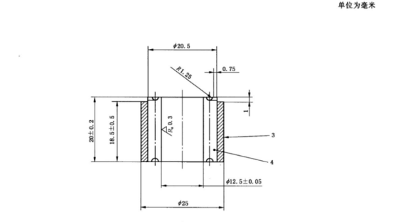
产品分类 纺织类 其他类 医疗器械类 医药包装类 个人防护类 实验室类 推荐资讯 牙科治疗机压力损失测试仪口腔灯阴影测试工装拉伸粘接强度试验装置-活动义齿软衬材料多功能耐刮擦测试仪周边有孔环形模具及其附件环形模具固位座/细节再现性试验--试样成形附件制样的对开模具-弹性回复和压应变试验制备吸水性和溶解性试样的不锈钢模具和盖子细节再现和与石膏的配伍性试验组件带孔的黄铜模具-装盒塑性试验用带孔的黄铜模具牙科学石膏产品线固化膨胀伸长仪-三角形截面槽 你的位置: 首页 > 产品展示 > 医疗器械类 > 制样的对开模具-弹性回复和压应变试验 制样的对开模具-弹性回复和压应变试验 制样的对开模具-弹性回复和压应变试验 产品型号:HT-Z597 品牌:徽涛 更新时间:2026-04-09 简介:执行标准: YY/T 0493-2022、ISO4823:2015 QQ咨询 留言咨询 产品介绍 制样的对开模具-弹性回复和压应变试验执行标准:YY/T 0493-2022、ISO4823:2015技术参数:由阳极氧化铝,黄铜或不锈钢制成。  配置清单:模具一套 上一篇:制备吸水性和溶解性试样的不锈钢模具和盖子 下一篇:周边有孔环形模具及其附件环形模具固位座/细节再现性试验--试样成形附件 推荐产品 牙科治疗机压力损失测试仪 口腔灯阴影测试工装 拉伸粘接强度试验装置-活动义齿软衬材料 周边有孔环形模具及其附件环形模具固位座/细节再现性试验--试样成形附件